【摘要】 霍尔效应基于电磁感应原理,表现为频繁的电磁信号传输和转换。
霍尔效应基于电磁感应原理,表现为频繁的电磁信号传输和转换。霍尔效应广泛存在于工业自动化等各个领域的信号传输及能量交换中。
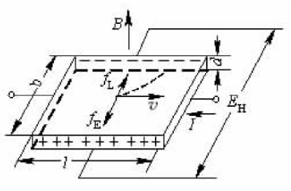
霍尔效应是电磁效应的一种,这一现象是美国物理学家霍尔于1879年在研究金属的导电机制时发现的。霍尔效应对磁场和感应电压之间的关系进行定义,这种效应和传统的电磁感应完全不同。当电流通过一个位于磁场中的导体的时候,磁场会对导体中的电子产生一个垂直于电子运动方向上的作用力,从而在垂直于导体与磁感线的两个方向上产生电势差。霍尔效应原理图如图1所示。

图1 霍尔效应原理图
从图1中可以看出,长方体半导体极板中电子沿水平方向运动,与电流方向相反,在垂直于该半导体的磁场B的作用下,洛伦兹力fL使极板中的电子运动轨迹发生偏移,从而导致半导体极板中电子分布不均并产生感应电动势EH,电子偏移的方向通过左手定则可以判断,而感应电动势EH的方向与其相反。

式1 霍尔效应公式
式1为相应的霍尔效应公式,式中VH为霍尔电压,KH为霍尔片的灵敏度,它反映产生霍尔电压的能力,单位为mV·mA-1·T-1,Is是通过霍尔片的工作电流,B是垂直穿过霍尔片磁场的磁感应强度。从式1中看出,霍尔电压的大小与工作电流和磁感应强度的乘积成正比,其方向与工作电流和磁感应强度的方向均有关系,当工作电流和磁感应强度的方向改变时,霍尔电压的方向均要改变。
- 魏国荣, 薄永红. 对霍尔效应实验系统误差的探究[J]. 内燃机与配件, 2020(24):4.
- 王本菊. 霍尔效应及其应用[J]. 中国校外教育, 2011(6):2.
- 徐华兵. 剖析霍尔效应背景类试题[J]. 高中数理化, 2019(7):3.





您已经拒绝加入团体

