【摘要】 将后续三种模式的测试原理可以和模式简图放到一起介绍,更加直观易懂。
有机元素分析仪作为常用测试之一,但仍有许多同学不太了解有机元素分析的原理及应用,本篇文章由科学指南针科研服务平台给大家介绍有机元素分析的不同操作模式。
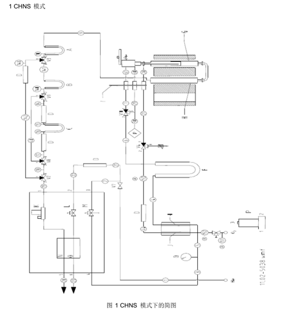
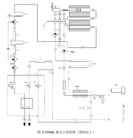
1.CHNS模式


2.CHN模式

将后续三种模式的测试原理可以和模式简图放到一起介绍,更加直观易懂。
3 注意事项
(1) 模式转换时,当前的加热温度必须比新选模式的设定加热炉温度高,否则过高的温度保护就会被激活。
(2) 模式转换时确信试管填充物满足各自的操作温度,否则过热的填充物会引起试管熔化,而损坏加热炉。
(3) 在菜单“模式”下更改操作模式,并单击“ OK”确认,如果在“改变模式” 对话框里确认以下问题,单击“ OK”才能执行模式更改。

以上仅为科学指南针科研服务平台的自我总结,故此分享给大家,希望可以帮助大家对测试更了解,如有测试需求,可以和科学指南针联系,我们会给与您最准确的数据和最好的服务体验,惟祝科研工作者可以更轻松的工作。
免责声明:部分文章整合自网络,因内容庞杂无法联系到全部作者,如有侵权,请联系删除,我们会在第一时间予以答复,万分感谢。





您已经拒绝加入团体

