【摘要】 随着锂离子电池,超级电容器,光电催化等热门领域的兴起,电化学越来越成为学术圈脍炙人口的词汇。那么,其实什么是电化学呢?
随着锂离子电池,超级电容器,光电催化等热门领域的兴起,电化学越来越成为学术圈脍炙人口的词汇。那么,其实什么是电化学呢?

图1 电化学经典教材
所谓的电化学,是电作用与化学作用相互关联的一个化学学科的分支,主要包括通过电流调整化学反应以及通过化学反应产电这两种类型。其中就包括了大量的反应现象(电泳、腐蚀等)、各类器件(电致变色智能窗、各类电池、电分析传感器等)以及各类技术(金属电镀等)。通过一些固定的输入(如恒电流、恒电压、阶梯电势等)来获取输出的电信号,从而反映出电极材料的界面结构、界面上的电势分布以及在这些界面上进行的电化学过程等,这就是我们常说的电化学测试。
电化学测试的方法很多,根据测试的内容可以分为三类:1.电化学热力学性质方面的测试;2.动力学性质的测试;3.结合光谱波谱技术、引入光信号等进行的综合测试。
而如果根据测试的特质,又可以分为以下几大类:1.稳态测试方法;2.暂态测试方法;3.伏安法;4.交流阻抗法等。这里小编只给大家简单介绍一些使用最普遍,功能最强大的电化学测试方法。在此之前,先对电化学测试最常用的三电极测试体系进行简单介绍。
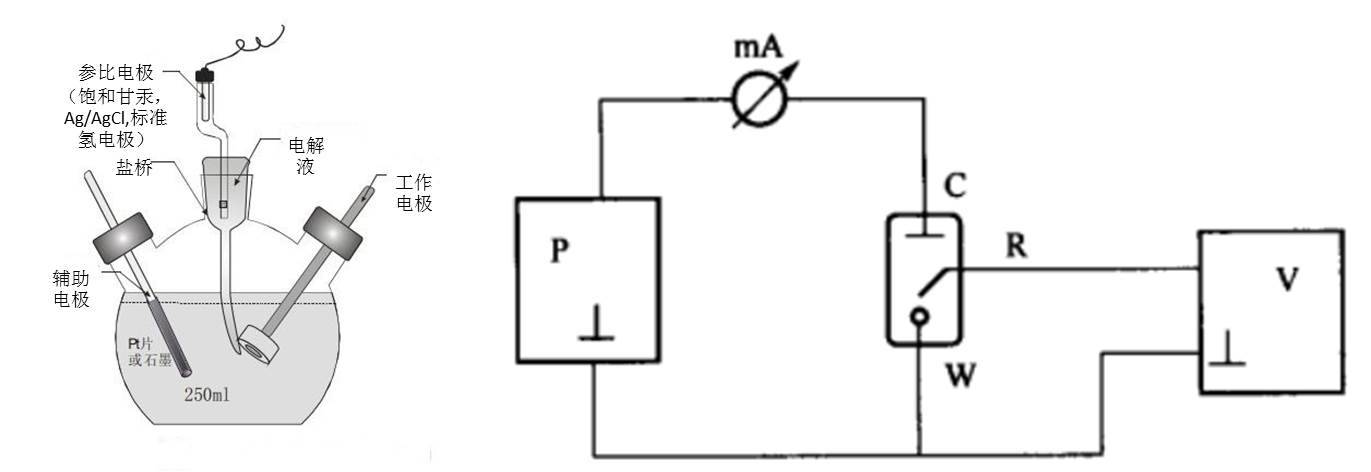
所谓的三电极体系,是为了排除电极电势因极化电流而产生的较大误差而设计的。它在普通的两电极体系(工作电极与对电极)的基础上引入了用以稳定工作电极的参比电极,如图2示。如左图,电解池由三个电极组成:工作电极(W),对电极(C)以及参比电极(R)。
W是主要的电极研究和操作对象,R是电势电极的比较标准,而C主要用以通过极化电流,实现对电极的极化。右图中,我们可以看到,三电极体系在电路中时,P代表极化电源,为研究电极提供极化电流。mA和V分别为电流表和电压表,用以测试电流和电势。P, mA, C, W构成的左侧回路,称为极化回路,在极化回路中有极化电流通过,可对参比电极进行测量和控制。V, R, W构成了右侧回路,称为测量控制回路。在此回路中,对研究电极的电势进行测量和控制,由于回路中无极化电流流过,仅有极小的测量电流,所以不会研究电极的极化状态和参比电极的稳定性造成干扰。由此可见,三电极体系可使研究电极表面通过极化电流,又不会妨碍研究的电极电势的控制和测量,可同时实现电势和电流的控制和测量。所以,大部分电化学研究测试均在三电极体系完成。

图2 三电极体系结构图及电路图
接下来,小编就把最常用的几种电化学测试手段进行简单介绍。
1.稳态测试:恒电流法及恒电势法
所谓的稳态,即电化学参量(电极电势,电流密度,电极界面状态等)变化甚微或基本不变的状态。最常用的稳态测试方法,当然就是恒电流法及恒电势法,故名思意,就是给电化学体系一个恒定不变的电流或者电极电势的条件。通常我们可以利用恒电位仪或者电化学工作站来实现这种条件。通过在电化学工作站简单地设置电流或电势以及时间这几个参数,就可以有效地使用这两种方法啦。该方法用的比较多的地方主要有:活性材料的电化学沉积以及金属稳态极化曲线的测定(如图3)等等。

图3 不同扫速下金属的稳态极化曲线
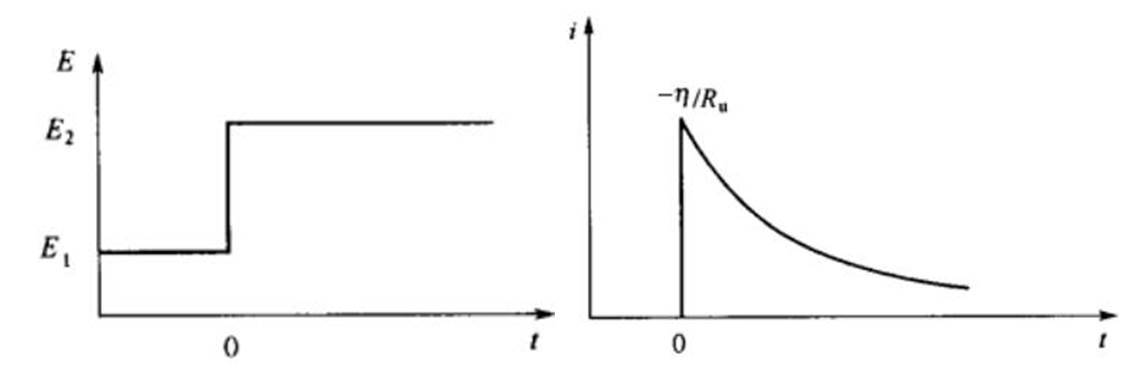
2.暂态测试:控制电流阶跃及控制电势阶跃法
所谓的暂态,当然是相对于稳态而言的。在一个稳态向另一个稳态的转变过程中,任意一个电极还未达到稳态时,都处于暂态过程,如双电层充电过程,电化学反应过程以及扩散传质过程等。最常见的方法要数控制电流阶跃法以及控制电势阶跃法这两种。控制电流阶跃法,也叫计时电位法,即在某一时间点,电流发生突变,而在其他时间段,电流保持相应的恒定状态。

图4 计时电位法电流阶跃(左图)及相应的电势变化(右图)。
同理,控制电势阶跃法也就是计时电流法,即在某一时间点,电势发生突变,而在其他时间段,电势保持相应的恒定状态。

图5 计时电位法电势阶跃(左图)及相应的电流变化(右图)。
利用这种暂态的控制方法,一般可以探究一些电化学变化过程的性质,如能源存储设备充电过程的快慢,界面的吸附或扩散作用的判断等。计时电流法还可以用以探究电致变色材料变色性能的优劣。
3.伏安法:线性伏安法,循环伏安法
伏安法应该算是电化学测试中最为常用的方法,因为电流、电压均保持动态的过程,才是最常见的电化学反应过程。一般而言,伏安法主要有线性伏安法以及循环伏安法,两者的区别在于,线性伏安法“有去无回”,而循环伏安法“从哪里出发就回哪去”。线性伏安法即在一定的电压变化速率下,观察电流相应的响应状态。同理,循环伏安法也是一样,只不过电压的变化是循环的,从起点到终点再回到起点。
线性伏安法使用的领域较广,主要包括太阳能电池光电性能的测试,燃料电池等氧还原曲线的测试以及电催化中催化曲线的测试等。而循环伏安法,主要用以探究超级电容器的储能大小及电容行为、材料的氧化还原特性等等。

图6 伏安法电化学测试:左图为线性伏安测试太阳能电池的开路电压及短路电流;中间为循环伏安法测试电容行为较强的碳材料;右图为含有氧化还原行为的电极材料的循环伏安测试
4.交流阻抗法
交流阻抗法的主要实现方法是,控制电化学系统的电流在小幅度的条件下随时间变化,同时测量电势随时间的变化获取阻抗或导纳的性能,进而进行电化学系统的反应机理分析及计算系统的相关参数等。交流阻抗谱可以分为电化学阻抗谱(EIS)和交流伏安法。EIS探究的是某一极化状态下,不同频率下的电化学阻抗性能;而交流伏安法是在某一特定频率下,研究交流电流的振幅和相位随时间的变化。
这里我们重点介绍一下EIS。由于采用小幅度的正弦电势信号对系统进行微扰,电极上交替出现阳极和阴极过程,二者作用相反,因此,即使扰动信号长时间作用于电极,也不会导致极化现象的积累性发展和电极表面状态的积累性变化。因此EIS是一种“准稳态方法”。通过EIS,我们一般可以分析出一些表面吸附作用以及离子扩散作用的贡献分配,电化学系统的阻抗大小、频谱特性以及电荷电子传输的能力强弱等等。

图7 EIS中Nyquist图谱
在这里,小编只是给大家开了个头,简单介绍了一下电化学测试的一些常用方法。
参考书目:
1.A. J. Bard, L. R. Faulkner, Electrochemical Methods: Fundamentals and Applications, John Wiley & Sons, 2001.2.
2.贾铮,戴长松,陈玲,电化学测试方法,北京化学工业出版社,2006
科学指南针为您提供材料测试,主要业务范围包括XPS,普通XRD,透射电子显微镜TEM,全自动比表面及孔隙度分析BET等测试。
免责声明:部分文章整合自网络,因内容庞杂无法联系到全部作者,如有侵权,请联系删除,我们会在第一时间予以答复,万分感谢。





您已经拒绝加入团体

